Kondenzátor MKT
Vyrobený z kovového polyesterového filmu, má dobrý samoliečovací výkon a vysoký teplotný odpor . Niektoré malé kapacity sa môžu vyrábať pomocou sériového kovového filmu, s vysokým tlakovým odporom, vnútorným tesnením vosku s vysokým teplotou, s nízkym šumom a dobrým šumom a dobrým šumom {{} {} {} {} {} {} {} {} {} {} {} {} {} {} {} {}
- Predstavenie výrobku
- Vyrobený z kovového polyesterového filmu, má dobrý samoliečovací výkon a vysoký teplotný odpor . Niektoré malé kapacity sa môžu vyrábať pomocou sériového kovového filmu, s vysokým tlakovým odporom, vnútorným tesnením vosku s vysokým teplotou, s nízkym šumom a dobrým šumom a dobrým šumom {{} {} {} {} {} {} {} {} {} {} {} {} {} {} {} {}
- Vhodné pre dc nízke pulzné príležitosti .
- Všeobecne používané pri výkonových zosilňovačoch, farebných televízoroch, napájacích zdrojoch a iných obvodoch s vysokými požiadavkami na spoľahlivosť produktu
Funkcie
- Veľkosť miniatúry, neinduktívna kovová štruktúra .
- Vysokotextový vosk utesnený, dobrý izolačný výkon .
- Vlhkosť, FlameRetardant .
- Nízky rozptylový faktor .
- Dobrá vlastnosť samoliečenia, dobrá stabilita a spoľahlivosť .
|
Špecifikácie |
|
|
Klimatizácia |
40/085/21 |
|
Menovité napätie |
50V, 63V, 100V, 250V, 400V, 630V |
|
Kapacita |
0.001Μf ~2.2μF |
|
Tolerancia kapacity |
±5%(J), ±10%(K) |
|
Dôkaz napätia |
1.6UR |
|
Izolačný odpor |
C menší alebo rovný 0,33 μFIR väčší alebo rovný 3000 mΩ (20 stupňov, 1 minúta) C>0,33 μFir*C väčšie alebo rovné 10000 mΩ*μf |
|
Dotyčný uhol straty |
Menej alebo rovnajúce sa 0,008 %(20 stupňov, 1 kHz) |
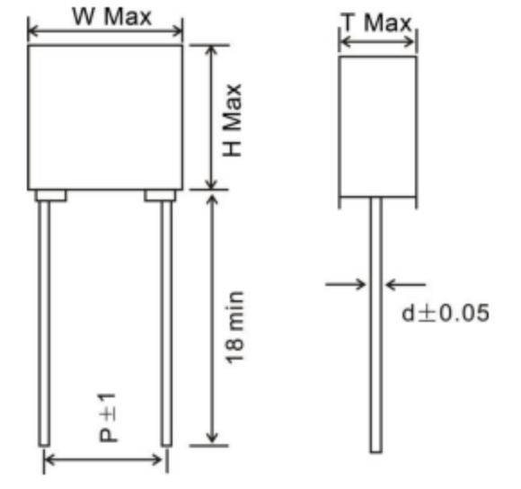
Kresba: (mm)

Výhoda
- Schopnosť optimalizácie nákladov:Obstarávanie mierky + zníženie nákladov na proces, cena je 15-30% nižšie ako medzinárodné značky .
- Potvrdenie od najlepších zákazníkov:Poskytovanie globálnych 10 najlepších spoločností PV a dodávateľov Automotive Tier 1 s bohatými skúsenosťami v prípadových štúdiách .
- Digitálna správa:MES System monitoruje výrobné údaje v reálnom čase a podporuje úplnú sledovateľnosť procesu (dávka na surovinu) .
- Mechanizmus neustáleho zlepšovania:Pravidelne zbierajte spätnú väzbu od zákazníkov a iterujte výkonnosť produktu (e . g . Zlepšiť odolnosť proti vibráciám, aby ste splnili automobilové potreby) .
Aplikačný scenár
- Napájací zdroj zariadenia VR (filtrovanie s nízkym hlukom)
- Inteligentný reproduktor (zvukový zosilňovač spojenie)
- Napájací zdroj hernej konzoly (vysokofrekvenčné prepínanie napájania)
- Napájací zdroj základnej stanice 5G (48 V filtrovanie autobusov)
- Optický modul vysielač (vysokorýchlostné spojenie signálu)
Často

ZZEC Firemný profil
Spoločnosť bola založená v roku 2007 a nachádza sa v provincii Yue Yue Yang City of Hunan Yue Yue Yang County Bai Xiang Town Industrial Zone, podnik od začiatku podnikania, „ducha zákazníka First, Forge pred“, zamerajte sa na spokojnosť s klientmi, ktorí sú klientovi, od domácnosti, od domácnosti v zahraničí, aby sa vytvorili s vyšetreným strojom, aby vytvorili niekoľko výrobných línií, v rovnakom časovom období Taliansko, špecializujúca sa na výrobu kondenzátora mini boxu (Super Small Box Potting Cyting) a super malej veľkosti, kondenzátora s vysokým obsahom série {. na dosiahnutie ročných dodávok približne 2 miliardy filmových kondenzátorov . Kvalita produktu je základom prežitia a zakladania s vysokou akumuláciou na prežitie a zakladanie s vysokou akumuláciou na zabezpečovanie a akumulácie s vysokou rezigáciou na zabezpečovanie a akumulácie s vysokou akumuláciou na prežitie na zabezpečovaní a akumulácie s vysokou akumuláciou na prežití ako 300 agentov a 1500 konečných zákazníkov so stabilnými a spoľahlivými produktmi a prispôsobenými službami . Krok za krokom k rozvoju vplyvného podniku v priemysle
Fotografie spoločnosti ZZEC
1. samostatne vyvinuté
2. vzorky zadarmo
3. je možné prispôsobiť podľa potrieb zákazníka
4. Štandardná dielňa bez prachu
5. Advanced Laboratory and Equipment
6. môžu poskytnúť údaje vo fáze výroby vzorky

Workshop obrázky

Špecializujúca sa na ultra-malú, vysoko presnú, vysoko kvalitnú filmovú kondenzátory .
Populárne Tagy: Filmový kondenzátor MKT, Výrobcovia kondenzátora Film MKT MKT, Factory










